UPS不间断电源在石化行业的应用
保证任何情况下的正常供电,是石化行业的重要基础。为此,除工业电网正常供电外,还需配备UPS供电系统。UPS电源是保障供电稳定和连续性的重要设备。
不间断电源(UPS)是由电池组、逆变器和其他电路组成,主要功能是给各种用电设备提供不间断的电力供应。当市电输入正常时,UPS将市电整流通过逆变器或直接稳压后供给负载使用,同时还向机内蓄电池充电。当市电发生中断等情况时,UPS立即将电池的电能通过逆变转换的方式向负载继续供电,使负载维持正常工作,并保护负载软、硬件不受损坏。

当前在石油化工生产装置仪表电源配置的几种典型方案有单台UPS供电方案、双机热备份供电方案、双机并联冗余供电方案。
从以上的几种UPS电源的配置方案来看,不管是采用什么样的形式,经过UPS系统的 输出送至装置仪表的电源只是一个回路,这个回路不管是有多么的可靠,只要有失电的时候就会导致装置仪表停电的事故。从中石化的调研情况看,以上各种形式的配置都出现过故障的记录。要根本解决问题,有必要重新来审视和分析仪表装置的供电方案。下面介绍下分布冗余UPS:
分布冗余UPS
分布冗余UPS的目的是将电源系统的冗余扩展到每一个负载设备,而且应使电源系统的冗余尽可能接近负载设备的输入端。
如图下所示,分布冗余UPS系统中有两个独立的UPS系统,每个独立的UPS系统都能为全部重要负载供电,构成双母线供电系统。通过适当的配电电路,可以为单电源输入和双电源输入的各种负载设备供电。

假设负载需要400kva的UPS系统,构成冗余供电系统的常规方法是:将两个400kva的UPS连接成并联冗余或隔离冗余系统或备用冗余UPS系统。如采用分布冗余,可将同样的两个400kva的UPS用做两个独立的UPS。正常时,400kva负载的一半接在其中一台UPS输出上(负载母线 1),另一半负载接在另一个UPS输出上(负载母线 2)。
如后文所述,采用适当的配电电路,就可以在所有的负载设备输入端上(不是在UPS输出端上)得到了冗余电源系统。即电源系统的冗余已分散到各个负载设备,因此称为“分布冗余”。正常时,两个独立的UPS系统(两个负载母线)分别承担一半负载的供电。当其中一台UPS故障时,另一台UPS就会自动地承担起全部负载的供电。因此,故障UPS可以脱离负载进行维修。
分布冗余UPS 系统的两个独立的UPS系统可以采用并联冗余UPS 系统,也可以采用单机UPS 系统。采用1+1并联冗余UPS组成的分布冗余UPS 的可靠性和可用度非常高,但成本为普通的1+1并联冗余UPS 的两倍。采用单机UPS 的分布冗余UPS 系统与1+1并联冗余UPS 系统的成本基本相同,但其可用度和可靠性比1+1并联冗余UPS 系统的要高。因此,这种所谓单机分布冗余UPS(或称为单机双母线UPS)更为经济适用,更容易为用户接受。
分布冗余UPS也可以扩容,对于较大应用系统,每个独立的UPS系统可以采用较大容量N+1并联冗余UPS系统,也可以采用并联无冗余UPS系统(仅为扩大容量而并联)。
分布冗余UPS常用配电电路
图5示出双母线分布冗余UPS供电系统的常用的配电电路。UPS1和UPS2经各自的输出配电屏为双电源负载和单电源负载供电。

(1)双电源负载设备,只要任何一个输入电源正常,负载设备就可以正常工作。因此。只需将两个UPS输出经UPS输出配电屏、分配电屏()直接接到双电源负载设备的输入端,就可以在负载输入端得到冗余的电源。当其中一个UPS 出现故障时负载设备仍能正常工作,不需要静态转换开关进行电源转换。考虑到分布冗余UPS系统还有单电源负载设备,仍配置了LBS, 以保证两个UPS的同步。这种配电电路完全实现了将电源系统的冗余扩展到负载设备的电源输入端。
(2)单电源负载需经UPS输出配电屏、静态转换开关(STS)转换后再经分配电屏(列头柜)供电。静态开关采用快速先断后合(break before make)的转换技术,可确保两个UPS电源的独立性,既保证电源切换时不影响负载正常工作,又防止了一个UPS的故障影响另一个UPS。
(3)如果不配置LBS,只能构成非同步的双母线分布冗余UPS供电系统,此时双电源负载的配电电路与前述相同。而单电源负载就只能接在一个母线上,不再是双母线供电了。当全部负载都是双电源负载,或者双电源负载多,单电源负载很少时,这种不同步的双母线供电系统方案也是可行的
(4)STS静态切换开关 (Static Transfer Switch)为电源二选一自动切换系统,正常工作状态下,在主电源处于正常的电压范围内,负载一直连接于主电源。在主电源发生故障时,负载自动切换到备用电源,主电源恢复正常后,负载又自动切换到主电源。
动力UPS
变频器在使用中,当供电电网的电压由于某种原因瞬间跌落时,变频器直流母线电压也相应的瞬间跌落,使得变频器处于报警停机状态(欠压报警),一般来说,该瞬间电压跌落周期只要大于0.5秒钟左右,对于变频器来说,直流电压下降过多,就无法维持运行。
由于变频器处于停机状态,则当电压跌落恢复时,变频器无法自启动,必须手动复位再启动,从启动到达到额定转速这一过程中,有一个加速时间,两项时间总和约为几十秒钟,也就是说,只要供电电网发生0.5秒左右的断电,那么,从电压跌落到变频器恢复正常运行,时间至少约为几十秒钟。而这几十秒只是对于单台变频器而言,当生产线中使用多台变频器时,问题就比较严重了。
正是这几十秒,对于很多连续生产的装置由于工艺联锁等原因会造成更长的停机和恢复时间,以致整个装置恢复稳定运行约需要几个小时时间,从而造成比较大的损失,这些损失包括突然停工的废品、重新开工的废品、原料、电力及人力损失。
我们的方案的核心技术就是采用动力UPS系统(带有储能系统的直流供电系统),对需要进行抗晃电保护的变频器进行供电,彻底排除瞬时晃电的干扰,甚至可以达到更长的抗晃电时间(后备时间按用户的需求设计)。
目前,该动力UPS系统的单回路最大功率达800KVA,一个系统内最多达88条回路;彻底解决雷击﹑晃电﹑瞬时停电造成的电动机跳闸的问题;一次性解决低压电动机群的数十台电动机供电保护问题;系统结构设计先进,多回路集中控制,各回路相互独立,互不影响;智能化控制系统,德国SIEMENS公司PLC为控制核心,实时监控系统运行状况。

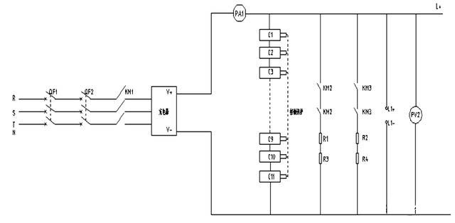
针对本企业,气化装置空分液氧泵、氩泵、氮泵都用到了变频器,特别是氧泵,190KW,2960r/min.为气化炉提供原料氧,工艺要求很苛刻,当发生晃电0.5秒时,变频器直流母线电压(520V)也相应的瞬间跌落,此泵提供的液体氧气达不到工艺要求的量,此时启动备用泵需要时间,为了不引起工艺联锁动作而停车,采用动力UPS系统,为氧泵变频器直流母线提供直流电源,在其晃电时母线失压时提供1-2秒520V直流电源。如图:
动力UPS与传统的UPS相比,具有众多优势,首先是设计容量更低,普通UPS不加变频器带电机启动,设计容量是电机功率的5~7倍,普通UPS加变频器带电机起动,设计容量是电机功率的2~3倍,而动力UPS容量只需电机功率的1倍即可;其次是结构更加简单可靠,系统未用常规UPS向变频器提供交流电源,而动力UPS向变频器提供直流电源。从而减少了AC/DC、DC/AC两次变换,硬件开销减少,可靠性提高。
常规UPS整流充电器既要对电池充电,还须向逆变器提供额定直流功率,而动力UPS充电器只对电池充电,其功率仅为常规UPS的10%左右,成本低,可靠性高。
高可靠的特性,先进的设计已经智能化的技术,使动力UPS系统成为工业上电动机不间断供电保护的首选,是低压电动机群专用的不间断供电系统,特别适用于多负载连续生产的石油化工、化纤、钢铁、玻璃等行业。
结束语
当前,爱克赛UPS系统在各个领域中应用都非常广泛,特别是仪表电源大多均采用进口UPS设备为其重要负荷提供高质量市电;整套装置的可靠性、技术水平以及自动化程度多数较为理想。依据负荷类型的不同,都提供了冗余的供电模式,从而消除了仪表及控制系统不间断电源的瓶颈,为生产装置的安全运行提供了充分可靠的供电保证。
郑州爱克赛科技有限责任公司,主要业务范围:UPS电源,EPS电源,逆变电源,通信电源,免维护蓄电池、锂电池,
微模块机房工程,动环监控工程,机房精密空调工程,整体机房设计、施工、布线、防雷等工程,承接国内外大功率
UPS精密空调的维修、维保
联系电话:0371-63322559 0371-86553131
联系人:李经理 13333862295